決済方法
クレジットカード、コンビニ決済、代金引換、ナフコ商品券(株主優待券)
※以下の商品は代引でのお支払がご利用いただけません
店舗受取商品/設置等工事付商品/メーカー直送商品/ナフコPRO商品
※商品切り替え時期は、出荷倉庫の在庫状況により、掲載画像と実際の商品のパッケージが異なる場合がございます。
- ※掲載のサイズ表記は、全て概寸となります。
- ※掲載の画像は、製造元都合によりデザイン・仕様等が予告なく変更となる場合がございます。
- ※お取り寄せ商品は、ご注文を受けてからの商品手配となりますので、8日以上の日数を要する場合がございます。なお、出荷のお知らせに関しては、従来の出荷完了メールにてご連絡いたします。ご了承ください。
レビューを投稿するには、ログインが必要です。またレビュー投稿する前に必ず約款をご確認ください。投稿した時点で約款に同意したものとみなします。 約款についてはこちら
配管部材の人気ランキング
新着商品
-
因幡電工 耐候性ドレンホース DHQ-14 14mm×50m¥2,980(税込) -
因幡電工 エアコン配管用シールパテ AP-200-I 200g アイボリー (15個入)¥1,450(税込) -
因幡電工 エアコン配管用シールパテ AP-200-I 200g アイボリー¥98(税込) -
因幡電工 エアコン配管用シールパテ AP-1000-I 1kg アイボリー¥490(税込) -
アサヒペン Nエアコン洗浄カバー 110CM幅¥980(税込) -
山善 エアコン洗浄カバー壁掛用120cm YAK-120¥1,780(税込) -
星朋商工 ドレンホース跳ね上げ防止キャップ SDC-2H¥768(税込) -
星朋商工 防振対策用ゴムパット TSB-HC¥908(税込) -
因幡電工 本体カフス VP管継手用 DSH-25NC¥198(税込) -
因幡電工 直線ジョイント ドレンホース連結(延長)用 DSH-25NJ¥348(税込)


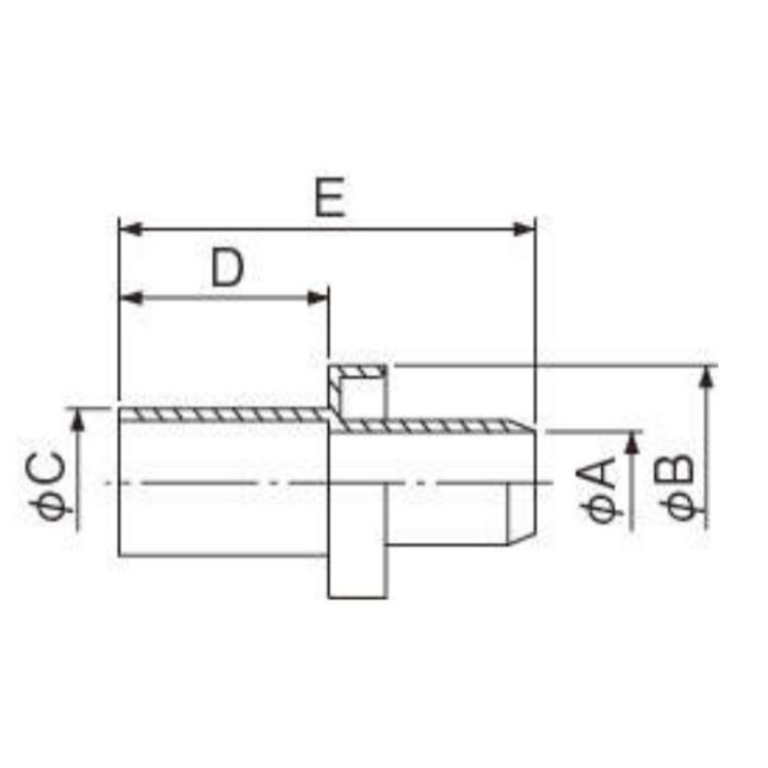
因幡電工 本体カフス VP管継手用 DSH-25NCの商品説明
[特徴]:■断熱ドレンホースをVP管継手に接続するパーツです。
■VP管側の口元寸法(外径ΦC)はVP管の外径に準じています。
[仕様]:
■材質:PVC
■適合ドレンホース:DSH-25N
■サイズ:詳細図寸法(mm)
ΦA:22.5、ΦB:40、ΦC:32、D:42、E:69